中国电力 ›› 2025, Vol. 58 ›› Issue (12): 147-154.DOI: 10.11930/j.issn.1004-9649.202503084
• 新型电网 • 上一篇
收稿日期:2025-03-24
修回日期:2025-11-11
发布日期:2025-12-27
出版日期:2025-12-28
作者简介:基金资助:
SONG Yujie1(
), LI Zhenxing1,2(
)
Received:2025-03-24
Revised:2025-11-11
Online:2025-12-27
Published:2025-12-28
Supported by:摘要:
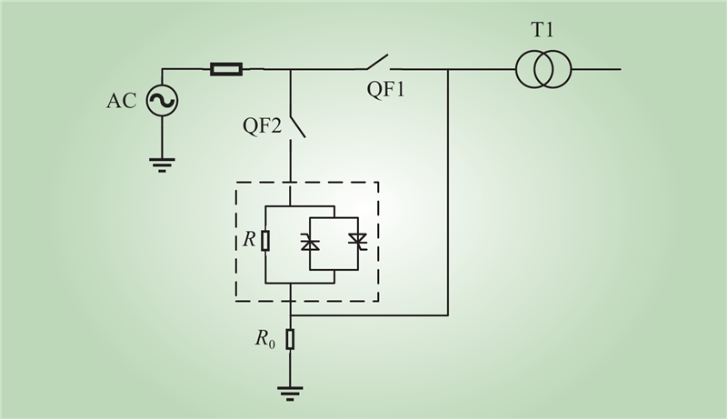
变压器轻载或空载合闸时,铁芯磁通饱和导致的励磁涌流容易引发差动保护误动作、电网电压暂降等问题,严重威胁电力系统安全运行。分析了变压器励磁涌流的产生机理,提出基于动态可调电阻的变压器励磁涌流抑制方法。通过控制接入分压回路的可调电阻的大小,使得变压器一次侧电压平滑上升,避免了因电压快速上升、铁芯磁通饱和而出现的励磁涌流,有效地减缓了变压器轻载或空载情况下合闸产生较大励磁涌流的问题。
宋玉洁, 李振兴. 基于动态可调电阻的变压器励磁涌流抑制方法[J]. 中国电力, 2025, 58(12): 147-154.
SONG Yujie, LI Zhenxing. Transformer Excitation Inrush Current Suppression Method Based on Dynamically Adjustable Resistors[J]. Electric Power, 2025, 58(12): 147-154.
| 变压器联结组号 | 励磁涌流峰值/kA | 涌流抑制率/% | ||
| Yyn | 0.061 | 97.1 | ||
| Ynd11 | 0.076 | 96.3 | ||
| Yd11 | 0.041 | 98.0 |
表 1 不同联结组号时变压器励磁涌流
Table 1 Transformer excitation inrush currents for different link group numbers
| 变压器联结组号 | 励磁涌流峰值/kA | 涌流抑制率/% | ||
| Yyn | 0.061 | 97.1 | ||
| Ynd11 | 0.076 | 96.3 | ||
| Yd11 | 0.041 | 98.0 |
| 1 |
郑俊超, 葛亚明, 孔祥平, 等. 应用零序电流幅值差特征的变压器零差保护可靠性提升策略[J]. 中国电力, 2025, 58 (8): 147- 155.
DOI |
|
ZHENG Junchao, GE Yaming, KONG Xiangping, et al. Reliability improvement strategy for transformer zero-sequence differential protection based on zero-sequence current amplitude difference characteristics[J]. Electric Power, 2025, 58 (8): 147- 155.
DOI |
|
| 2 |
郑涛, 于佳旭, 眭程曦, 等. 基于磁路耦合的Sen变压器差动保护方案[J]. 中国电力, 2025, 58 (3): 108- 118.
DOI |
|
ZHENG Tao, YU Jiaxu, SUI Chengxi, et al. Sen transformer differential protection scheme based on magnetic circuit coupling[J]. Electric Power, 2025, 58 (3): 108- 118.
DOI |
|
| 3 |
宋许鹏, 杨小洋, 樊征臻. 基于电流合成矢量轨迹特性的双馈风电场主变压器差动保护[J]. 中国电力, 2025, 58 (2): 9- 21.
DOI |
|
SONG Xupeng, YANG Xiaoyang, FAN Zhengzhen. Differential protection of main transformer of doubly-fed wind farm based on current synthesized vector trajectory characteristics[J]. Electric Power, 2025, 58 (2): 9- 21.
DOI |
|
| 4 |
韩霄, 陈浩天, 周佳, 等. 变压器分闸对铁心剩磁的影响研究[J]. 浙江电力, 2025, 44 (2): 103- 109.
DOI |
|
HAN Xiao, CHEN Haotian, ZHOU Jia, et al. Research on the impact of transformer switching-off on core residual magnetism[J]. Zhejiang Electric Power, 2025, 44 (2): 103- 109.
DOI |
|
| 5 |
容春艳, 程蓉, 胡诗尧, 等. 分裂绕组高阻抗电力变压器短路特性研究[J]. 电测与仪表, 2024, 61 (12): 104- 113.
DOI |
|
RONG Chunyan, CHENG Rong, HU Shiyao, et al. Research on short-circuit characteristics of split-winding high impedance power transformer[J]. Electrical Measurement & Instrumentation, 2024, 61 (12): 104- 113.
DOI |
|
| 6 |
朱佳, 王峰, 李一泉, 等. 基于Tanimoto相似度的变压器零序差动保护约束方案[J]. 中国电力, 2023, 56 (8): 193- 199.
DOI |
|
ZHU Jia, WANG Feng, LI Yiquan, et al. Restraint scheme of transformer zero sequence differential protection based on tanimoto similarity[J]. Electric Power, 2023, 56 (8): 193- 199.
DOI |
|
| 7 |
容春艳, 胡诗尧, 李腾, 等. 高压内置型高阻抗变压器励磁涌流特性分析及工程计算[J]. 电测与仪表, 2025, 62 (1): 217- 224.
DOI |
|
RONG Chunyan, HU Shiyao, LI Teng, et al. Analysis and engineering calculation of excitation inrush current characteristics of high voltage built-in high impedance transformer[J]. Electrical Measurement & Instrumentation, 2025, 62 (1): 217- 224.
DOI |
|
| 8 |
杨芳, 徐嘉欣, 唐小亮, 等. 不停电融冰方法下配电网多馈线架空线路暂态特性仿真研究[J]. 广东电力, 2024, 37 (10): 112- 120.
DOI |
|
YANG Fang, XU Jiaxin, TANG Xiaoliang, et al. Research on transient performance of uninterrupted power ice melting method for long-distance multi-feeder overhead lines in distribution network[J]. Guangdong Electric Power, 2024, 37 (10): 112- 120.
DOI |
|
| 9 |
金恩淑, 吴宛凝, 张弼弘, 等. 适用于空载合闸于匝间故障的特高压换流变压器保护新方法[J]. 电测与仪表, 2025, 62 (5): 58- 67.
DOI |
|
JIN Enshu, WU Wanning, ZHANG Bihong, et al. A new protection method for UHV converter transformers suitable for no-load closing andinter-turn faults[J]. Electrical Measurement & Instrumentation, 2025, 62 (5): 58- 67.
DOI |
|
| 10 |
李海涛, 刘北阳, 滕文涛, 等. 基于可变合闸角的变压器励磁涌流抑制方法[J]. 中国电力, 2022, 55 (9): 70- 78.
DOI |
|
LI Haitao, LIU Beiyang, TENG Wentao, et al. Research on inrush current suppression of transformer based on changeable closing angle[J]. Electric Power, 2022, 55 (9): 70- 78.
DOI |
|
| 11 |
许家源, 华争祥, 朱苛娄, 等. 选相关合技术抑制空载变压器励磁涌流的实验研究[J]. 电力系统保护与控制, 2018, 46 (8): 135- 141.
DOI |
|
XU Jiayuan, HUA Zhengxiang, ZHU Kelou, et al. Experimental research on inrush current suppression of unloaded transformers based on the controlled switching[J]. Power System Protection and Control, 2018, 46 (8): 135- 141.
DOI |
|
| 12 |
沃建栋, 郑涛, 万磊, 等. 基于合闸控制策略的变压器励磁涌流抑制措施研究[J]. 电力系统保护与控制, 2010, 38 (22): 32- 36.
DOI |
|
WO Jiandong, ZHENG Tao, WAN Lei, et al. Study on inrush current suppression method based on the breaker control strategy[J]. Power System Protection and Control, 2010, 38 (22): 32- 36.
DOI |
|
| 13 |
陈志伟, 董小飞, 丁国成, 等. 不考虑剩磁非同步合闸技术的混合变压器励磁涌流治理策略研究[J]. 中国电机工程学报, 2022, 42 (13): 4982- 4992.
DOI |
|
CHEN Zhiwei, DONG Xiaofei, DING Guocheng, et al. Research on excitation inrush current management strategy of hybrid transformer without considering remanence asynchronous closing technology[J]. Proceedings of the CSEE, 2022, 42 (13): 4982- 4992.
DOI |
|
| 14 | GUAN G B, WANG C, LI K L, et al. Transformer excitation inrush suppression based on delay-free d-q algorithm[C]//The Proceedings of 2024 International Conference of Electrical, Electronic and Networked Energy Systems. Singapore: Springer, 2025: 166–173. |
| 15 | PAN L, MA T J, ZHENG T W, et al. Delayed closing suppression strategy of the transformer inrush current based on the offset principle between remanence and magnetic bias[C]//2023 IEEE International Conference on Power Science and Technology (ICPST). Kunming, China. IEEE, 2023: 357–363. |
| 16 | WANG Q, ZHU M X, DING T, et al. Research on inrush current suppression of No-load transformer closing based on circuit breaker action time prediction[C]//2024 21st International Conference on Harmonics and Quality of Power (ICHQP). Chengdu, China. IEEE, 2024: 137–142. |
| 17 |
吴明, 余振, 郭强, 等. 一种串联限流电阻的变压器励磁涌流抑制技术[J]. 宁夏电力, 2024 (5): 43- 48.
DOI |
|
WU Ming, YU Zhen, GUO Qiang, et al. A transformer excitation inrush current suppression technique using series current-limiting resistors[J]. Ningxia Electric Power, 2024 (5): 43- 48.
DOI |
|
| 18 |
王景丹, 龚晓伟, 牛高远, 等. 变压器频繁空载投入的励磁涌流抑制技术研究[J]. 自动化技术与应用, 2017, 36 (10): 92- 95.
DOI |
|
WANG Jingdan, GONG Xiaowei, NIU Gaoyuan, et al. Research and implementation on the restraint technique of transformer inrush currents for empty loading frequently[J]. Techniques of Automation and Applications, 2017, 36 (10): 92- 95.
DOI |
|
| 19 | 滕文涛. 大容量交流变压器励磁涌流及其抑制措施研究[D]. 北京: 华北电力大学, 2017. |
| TENG Wentao. Research on the magnetizing inrush current and its suppression of large capacity AC transformer[D]. Beijing: North China Electric Power University, 2017. | |
| 20 |
关涛, 袁鹏飞, 冯国兵, 等. 大容量变压器励磁涌流及其抑制方法[J]. 船电技术, 2023, 43 (7): 89- 92.
DOI |
|
GUAN Tao, YUAN Pengfei, FENG Guobing, et al. Analysis of large-capacity transformer magnetizing inrush current and comparative study of suppression methods[J]. Marine Electric & Electronic Engineering, 2023, 43 (7): 89- 92.
DOI |
|
| 21 | 何小庆, 刘淑萍, 李攀宏, 等. 一种消除单相变压器励磁涌流的预充磁策略[J]. 电力系统保护与控制, 2014, 42 (17): 120- 124. |
| HE Xiaoqing, LIU Shuping, LI Panhong, et al. Eliminating the single-phase transformer inrush current based on pre-magnetizing[J]. Power System Protection and Control, 2014, 42 (17): 120- 124. | |
| 22 |
陈瑞. 预充磁在抑制变压器空载合闸励磁涌流中的作用[J]. 船电技术, 2009, 29 (1): 24- 26.
DOI |
|
CHEN Rui. The effect of pro-magnetization at restraining inrush current for switching-in No-load transformer[J]. Marine Electric & Electronic Engineering, 2009, 29 (1): 24- 26.
DOI |
|
| 23 |
李占元, 张伟红, 杜秀红. 预充磁绕组在抑制变压器空载合闸励磁涌流中的应用实例[J]. 变压器, 2013, 50 (3): 56- 58.
DOI |
|
LI Zhanyuan, ZHANG Weihong, DU Xiuhong. Applied example of pre-magnetizing winding in suppression of No-load switching magnetizing inrush current of transformer[J]. Transformer, 2013, 50 (3): 56- 58.
DOI |
|
| 24 |
ŁUKANISZYN M, BARON B, KOLAŃSKA-PŁUSKA J, et al. Inrush current reduction strategy for a three-phase Dy transformer based on pre-magnetization of the columns and controlled switching[J]. Energies, 2023, 16 (13): 5238.
DOI |
| 25 | VALDIVIELSO J U, AIZPURUA J I, BARRENETXEA M, et al. Reinforcement learning-based controlled switching approach for inrush current minimization in power transformers[EB/OL]. 2025: arXiv: 2503.11398. https://arxiv.org/abs/2503.11398. |
| 26 |
TAHA H A. Eliminating inrush current in three-phase transformer using artificial neural network[J]. Wasit Journal of Engineering Sciences, 2024, 12 (4): 52- 63.
DOI |
| 27 |
李春艳, 周念成, 王强钢, 等. 基于软启动的变压器励磁涌流抑制方法[J]. 电工技术学报, 2020, 35 (17): 3640- 3651.
DOI |
|
LI Chunyan, ZHOU Niancheng, WANG Qianggang, et al. A method to eliminate transformer inrush currents using soft-starter-based controlled energization[J]. Transactions of China Electrotechnical Society, 2020, 35 (17): 3640- 3651.
DOI |
|
| 28 |
何越, 林湘宁, 黄景光. 一种直接消除变压器合闸励磁涌流的方法[J]. 电工技术学报, 2011, 26 (11): 141- 149.
DOI |
|
HE Yue, LIN Xiangning, HUANG Jingguang. A method to eliminate the magnetizing inrush current of energized transformers[J]. Transactions of China Electrotechnical Society, 2011, 26 (11): 141- 149.
DOI |
|
| 29 |
孙汝羿, 袁至, 王维庆, 等. 源荷波动时含固态变压器的有源配电网动态无功优化方法[J]. 可再生能源, 2024, 42 (7): 937- 945.
DOI |
|
SUN Ruyi, YUAN Zhi, WANG Weiqing, et al. Dynamic reactive power optimization method of active distribution network with solid state transformer under source load fluctuation[J]. Renewable Energy Resources, 2024, 42 (7): 937- 945.
DOI |
|
| 30 | 李岳华, 王帅, 马卓然, 等. 基于混合电力电子变压器的配电网潮流优化调控方法[J]. 中国电力, 2025, 58 (10): 171- 179. |
| LI Yuehua, WANG Shuai, MA Zhuoran, et al. Power flow optimization and control method for distribution networks based on hybrid power electronics transformers[J]. Electric Power, 2025, 58 (10): 171- 179. | |
| 31 |
杨强, 罗颖婷, 石墨, 等. 考虑源荷调控的配变重过载及三相不平衡的差异化治理策略[J]. 中国电力, 2025, 58 (8): 41- 49.
DOI |
|
YANG Qiang, LUO Yingting, SHI Mo, et al. Differentiated governance strategies for distribution transformer overload and three-phase imbalance considering source-load regulation[J]. Electric Power, 2025, 58 (8): 41- 49.
DOI |
|
| 32 |
董礼, 程丽敏, 赵博, 等. 基于改进模式识别的无人值守风电场群组机器人集中巡检研究[J]. 可再生能源, 2025, 43 (3): 346- 352.
DOI |
|
DONG Li, CHENG Limin, ZHAO Bo, et al. Research on centralized inspection of unmanned wind farm group robots based on improved pattern recognition[J]. Renewable Energy Resources, 2025, 43 (3): 346- 352.
DOI |
|
| 33 |
蔡永翔, 杨安黔, 付宇, 等. 面向分布式光伏并网和电能替代的低压配电网自适应控制[J]. 可再生能源, 2023, 41 (10): 1343- 1351.
DOI |
|
CAI Yongxiang, YANG Anqian, FU Yu, et al. An adaptive control facing to distributed PV integration and electricity substitution in LV distribution networks[J]. Renewable Energy Resources, 2023, 41 (10): 1343- 1351.
DOI |
|
| 34 |
赵伟, 袁至, 王维庆, 等. 基于LQIR的MMC-SST输入级控制策略研究[J]. 可再生能源, 2023, 41 (4): 522- 529.
DOI |
|
ZHAO Wei, YUAN Zhi, WANG Weiqing, et al. Research on MMC-SST input stage control strategy based on LQIR[J]. Renewable Energy Resources, 2023, 41 (4): 522- 529.
DOI |
| [1] | 杨强, 罗颖婷, 石墨, 江俊飞, 阮迪航, 刘升阳, 颜勤, 马瑞. 考虑源荷调控的配变重过载及三相不平衡的差异化治理策略[J]. 中国电力, 2025, 58(8): 41-49. |
| [2] | 郑俊超, 葛亚明, 孔祥平, 任旭超, 陈实, 王晨清. 应用零序电流幅值差特征的变压器零差保护可靠性提升策略[J]. 中国电力, 2025, 58(8): 147-155. |
| [3] | 郑涛, 于佳旭, 眭程曦, 申由, 薛玉石, 武剑. 基于磁路耦合的Sen变压器差动保护方案[J]. 中国电力, 2025, 58(3): 108-118. |
| [4] | 宋许鹏, 杨小洋, 樊征臻. 基于电流合成矢量轨迹特性的双馈风电场主变压器差动保护[J]. 中国电力, 2025, 58(2): 9-21. |
| [5] | 李岳华, 王帅, 马卓然, 杨智明, 廖小兵. 基于混合电力电子变压器的配电网潮流优化调控方法[J]. 中国电力, 2025, 58(10): 171-179. |
| [6] | 张旭, 王淳, 胡奕涛, 陈锐凯, 刘昆, 郭志东, 钟俊勋. 面向短时过载及长期轻载的配变侧储能配置与调度双层优化[J]. 中国电力, 2025, 58(1): 174-184. |
| [7] | 彭寒梅, 尹棠, 肖千皓, 谭貌, 苏永新, 李辉. 高比例分布式电源配电网中低压柔性互联协调规划[J]. 中国电力, 2024, 57(8): 117-129. |
| [8] | 朱佳, 王峰, 李一泉, 焦邵麟, 徐晓春, 赵青春. 基于Tanimoto相似度的变压器零序差动保护约束方案[J]. 中国电力, 2023, 56(8): 193-199. |
| [9] | 徐艳春, 范钟耀, 孙思涵, MI Lu. 基于去趋势分析的大规模双馈风电场送出变压器差动保护[J]. 中国电力, 2023, 56(7): 186-197. |
| [10] | 辛全金, 李晓华, 杨义, 李俊聪, 夏能弘. 基于冗余卷积编解码器的变压器噪声抑制[J]. 中国电力, 2023, 56(4): 112-118. |
| [11] | 黄辉, 杨智豪, 魏建国, 邓辉, 刘诣. 变压器套管局部放电射频信号在外部空间的分布特征[J]. 中国电力, 2023, 56(4): 175-183. |
| [12] | 曹赋禄, 赵晋斌, 潘超, 毛玲, 屈克庆. 基于DFFT的低压直流线路主动式接地故障定位方法[J]. 中国电力, 2023, 56(4): 184-191. |
| [13] | 田宇, 黄婧, 谢枭, 王若昕, 沈丹青, 何丽娜, 杨凯帆, 陈汝科. 主动配电网无功补偿和OLTC鲁棒多目标优化配置[J]. 中国电力, 2023, 56(3): 94-99. |
| [14] | 李刚, 孟坤, 贺帅, 刘云鹏, 杨宁. 考虑特征耦合的Bi-LSTM变压器故障诊断方法[J]. 中国电力, 2023, 56(3): 100-108,117. |
| [15] | 王爽, 罗倩, 唐波, 姜岚, 李锦. 考虑样本类内不平衡的CHPOA-DBN变压器故障诊断方法[J]. 中国电力, 2023, 56(10): 133-144. |
| 阅读次数 | ||||||
|
全文 |
|
|||||
|
摘要 |
|
|||||


AI小编