中国电力 ›› 2025, Vol. 58 ›› Issue (10): 216-224.DOI: 10.11930/j.issn.1004-9649.202504079
收稿日期:2025-04-27
发布日期:2025-10-23
出版日期:2025-10-28
作者简介:基金资助:
WANG Jingliang(
), XU Zhe(
), CHEN Xiaodong, MOU Chunfeng
Received:2025-04-27
Online:2025-10-23
Published:2025-10-28
Supported by:摘要:
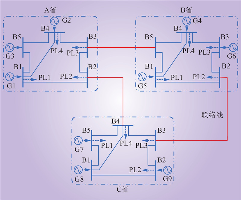
为解决区域电力市场联合出清收益如何在各省之间公平分配的问题,提出一种计及能量-备用联合出清的区域电力市场增益分配机制。首先,构建了以全网总运营成本最小化为目标的区域电力市场联合出清模型,统筹优化电能生产、备用容量及跨省输电成本;其次,基于Shapley值理论设计了增益分配方法,量化各省在联合运行中的边际贡献,并进一步细化至发电商与用户层面,确保利益分配的公平性;最后,通过三区域互联系统进行仿真验证。结果表明,所提联合出清机制较传统独立出清模式可降低系统总成本,算例中联合出清成本降低了约3%,减少切负荷量约80%,研究结果为区域电力市场协同运行与收益分配提供了理论依据。
王景亮, 许喆, 陈晓东, 牟春风. 计及能量-备用联合出清的区域电力市场增益分配机制[J]. 中国电力, 2025, 58(10): 216-224.
WANG Jingliang, XU Zhe, CHEN Xiaodong, MOU Chunfeng. Gain Allocation Mechanism for Regional Electricity Markets Considering Energy-Reserve Joint Clearing[J]. Electric Power, 2025, 58(10): 216-224.
| 省 份 | 机 组 | 发电成本 系数/ (美元·MW–1) | 爬坡速率/ (MW·h–1) | 最小出力/ MW | 最大出力/ MW | 正、负备用 成本系数/ (美元·MW–1) | ||||||
| A | G1 | 38 | 100 | 50 | 200 | 13 | ||||||
| G2 | 35 | 160 | 60 | 300 | 13 | |||||||
| G3 | 40 | 90 | 40 | 150 | 20 | |||||||
| B | G4 | 36 | 130 | 60 | 200 | 14 | ||||||
| G5 | 37 | 100 | 50 | 200 | 14 | |||||||
| G6 | 42 | 80 | 20 | 100 | 20 | |||||||
| C | G7 | 40 | 150 | 50 | 250 | 17 | ||||||
| G8 | 41 | 80 | 40 | 150 | 19 | |||||||
| G9 | 47 | 70 | 25 | 100 | 23.5 |
表 1 机组参数
Table 1 Generator parameters
| 省 份 | 机 组 | 发电成本 系数/ (美元·MW–1) | 爬坡速率/ (MW·h–1) | 最小出力/ MW | 最大出力/ MW | 正、负备用 成本系数/ (美元·MW–1) | ||||||
| A | G1 | 38 | 100 | 50 | 200 | 13 | ||||||
| G2 | 35 | 160 | 60 | 300 | 13 | |||||||
| G3 | 40 | 90 | 40 | 150 | 20 | |||||||
| B | G4 | 36 | 130 | 60 | 200 | 14 | ||||||
| G5 | 37 | 100 | 50 | 200 | 14 | |||||||
| G6 | 42 | 80 | 20 | 100 | 20 | |||||||
| C | G7 | 40 | 150 | 50 | 250 | 17 | ||||||
| G8 | 41 | 80 | 40 | 150 | 19 | |||||||
| G9 | 47 | 70 | 25 | 100 | 23.5 |
| 场景 | 切负荷量 | |||||||
| A省 | B省 | C省 | 总计 | |||||
| 1 | 0 | 146.20 | 39.20 | 185.40 | ||||
| 2 | 0 | 426.30 | 518.70 | 945.00 | ||||
| 3 | 0 | 109.45 | 75.95 | 185.40 | ||||
| 4 | 0 | 160.40 | 125.20 | 285.60 | ||||
表 2 各场景切负荷量及其成本
Table 2 Load shedding and associated costs under different scenarios 单位:(MW·h)
| 场景 | 切负荷量 | |||||||
| A省 | B省 | C省 | 总计 | |||||
| 1 | 0 | 146.20 | 39.20 | 185.40 | ||||
| 2 | 0 | 426.30 | 518.70 | 945.00 | ||||
| 3 | 0 | 109.45 | 75.95 | 185.40 | ||||
| 4 | 0 | 160.40 | 125.20 | 285.60 | ||||
| 场景 | 运行方式 | 出清成本/美元 | 总成本/美元 | |||
| 1 | ABC联合 | 1 158 748 | 1 158 748 | |||
| 2 | A独立出清 | 335 771 | 1 193 682 | |||
| B独立出清 | 399 676 | |||||
| C独立出清 | 458 235 | |||||
| 3 | ABC联合 | 1 161 127 | 1 161 127 | |||
| 4 | ABC联合 | 1 173 238 | 1 173 238 |
表 3 各场景下系统出清成本
Table 3 Market clearing costs under different scenarios
| 场景 | 运行方式 | 出清成本/美元 | 总成本/美元 | |||
| 1 | ABC联合 | 1 158 748 | 1 158 748 | |||
| 2 | A独立出清 | 335 771 | 1 193 682 | |||
| B独立出清 | 399 676 | |||||
| C独立出清 | 458 235 | |||||
| 3 | ABC联合 | 1 161 127 | 1 161 127 | |||
| 4 | ABC联合 | 1 173 238 | 1 173 238 |
| 出清方式 | 联盟S组成成员 | 运行成本/美元 | 增益/美元 | |||
| 独立出清 | A | 335 771 | 0 | |||
| B | 399 676 | 0 | ||||
| C | 458 235 | 0 | ||||
| 两省联合出清 | A、B | 718 079 | 17 368 | |||
| A、C | 768 898 | 25 108 | ||||
| B、C | 856 573 | 1 338 | ||||
| 三省联合出清 | A、B、C | 1 161 127 | 34 934 |
表 4 系统出清成本及其增益
Table 4 System clearing costs and associated gains
| 出清方式 | 联盟S组成成员 | 运行成本/美元 | 增益/美元 | |||
| 独立出清 | A | 335 771 | 0 | |||
| B | 399 676 | 0 | ||||
| C | 458 235 | 0 | ||||
| 两省联合出清 | A、B | 718 079 | 17 368 | |||
| A、C | 768 898 | 25 108 | ||||
| B、C | 856 573 | 1 338 | ||||
| 三省联合出清 | A、B、C | 1 161 127 | 34 934 |
| 分配方式 | 增益 | |||||
| A省 | B省 | C省 | ||||
| Shapley值法 | 18 278 | 6 393 | 10 263 | |||
| 平均分配 | 11 645 | 11 645 | 11 645 | |||
表 5 各省增益分配
Table 5 Provincial gain allocation 单位:美元
| 分配方式 | 增益 | |||||
| A省 | B省 | C省 | ||||
| Shapley值法 | 18 278 | 6 393 | 10 263 | |||
| 平均分配 | 11 645 | 11 645 | 11 645 | |||
| 场景 | 运行方式 | 出清成本/美元 | 总成本/美元 | |||
| 1 | A、B、C联合 | 7 361 579 | 7 361 579 | |||
| 2 | A独立出清 | 2 501 391 | 8 625 487 | |||
| B独立出清 | 2 846 411 | |||||
| C独立出清 | 3 277 685 | |||||
| 3 | A、B、C联合 | 8 244 379 | 8 244 379 | |||
| 4 | A、B、C联合 | 8 426 487 | 8 426 487 |
表 6 各场景下系统出清成本
Table 6 System clearing costs under different scenarios
| 场景 | 运行方式 | 出清成本/美元 | 总成本/美元 | |||
| 1 | A、B、C联合 | 7 361 579 | 7 361 579 | |||
| 2 | A独立出清 | 2 501 391 | 8 625 487 | |||
| B独立出清 | 2 846 411 | |||||
| C独立出清 | 3 277 685 | |||||
| 3 | A、B、C联合 | 8 244 379 | 8 244 379 | |||
| 4 | A、B、C联合 | 8 426 487 | 8 426 487 |
| 省份 | 所获增益/美元 | |
| A | 631 954 | |
| B | 252 782 | |
| C | 379 172 |
表 7 各省增益分配结果
Table 7 Provincial benefit allocation results
| 省份 | 所获增益/美元 | |
| A | 631 954 | |
| B | 252 782 | |
| C | 379 172 |
| 1 | 张睿骁, 梁利, 王定美. 新能源场站快速频率响应分析与高效测试装置设计[J]. 中国电力, 2025, 58 (5): 144- 151. |
| ZHANG Ruixiao, LIANG Li, WANG Dingmei. Fast frequency response analysis and efficient test device design of new energy station[J]. Electric Power, 2025, 58 (5): 144- 151. | |
| 2 | 胡程平, 范明, 刘艾旺, 等. 考虑云储能的多区互联综合能源系统规划[J]. 发电技术, 2024, 45 (4): 641- 650. |
| HU Chengping, FAN Ming, LIU Aiwang, et al. Multi-area interconnected integrated energy system planning considering cloud energy storage[J]. Power Generation Technology, 2024, 45 (4): 641- 650. | |
| 3 | 周洋, 黄德志, 李培栋, 等. 考虑平衡端点相位不对称及光伏接入的低压配电网三相潮流模型[J]. 中国电力, 2024, 57 (10): 190- 198. |
| ZHOU Yang, HUANG Dezhi, LI Peidong, et al. A three-phase power flow model for low-voltage distribution networks considering balanced bus phase asymmetry and photovoltaic access[J]. Electric Power, 2024, 57 (10): 190- 198. | |
| 4 | 陈璨, 苏紫诺, 马原, 等. 基于分层关联性建模的分布式光伏功率超短期概率预测[J]. 中国电力, 2024, 57 (12): 50- 59. |
| CHEN Can, SU Zinuo, MA Yuan, et al. Ultra-short-term probabilistic forecasting of distributed photovoltaic power generation based on hierarchical correlation modeling[J]. Electric Power, 2024, 57 (12): 50- 59. | |
| 5 | 杨彪, 颜伟, 莫静山. 考虑源荷功率随机性和相关性的主导节点选择与无功分区方法[J]. 电力系统自动化, 2021, 45 (11): 61- 67. |
| YANG Biao, YAN Wei, MO Jingshan. Pilot-bus selection and network partitioning method considering randomness and correlation of source-load power[J]. Automation of Electric Power Systems, 2021, 45 (11): 61- 67. | |
| 6 | 王浩然, 冯天天, 崔茗莉, 等. 碳交易政策下绿氢交易市场与电力市场耦合效应分析[J]. 南方能源建设, 2023, 10 (3): 32- 46. |
| WANG Haoran, FENG Tiantian, CUI Mingli, et al. Analysis of coupling effect between green hydrogen trading market and electricity market under carbon trading policy[J]. Southern Energy Construction, 2023, 10 (3): 32- 46. | |
| 7 | 夏晖, 张敏, 刘志强, 等. 新能源项目运营技术经济分析及其对发展的影响[J]. 电力科技与环保, 2023, 39 (6): 543- 552. |
| XIA Hui, ZHANG Min, LIU Zhiqiang, et al. Investigate on the impact factors of operational capability for new energy projects[J]. Electric Power Technology and Environmental Protection, 2023, 39 (6): 543- 552. | |
| 8 | 赵清松, 徐建源. 计及售电公司参与电力现货交易的配电网供电能力优化方法[J]. 湖南电力, 2023, 43 (4): 95- 101. |
| ZHAO Qingsong, XU Jianyuan. Optimization method of power supply capacity of distribution network considering participation of power sales companies in spot power trading[J]. Hunan Electric Power, 2023, 43 (4): 95- 101. | |
| 9 | 王泽宁, 李文中, 李东辉, 等. 基于软件定义的新型电力系统分层自治电力平衡模式研究[J]. 综合智慧能源, 2024, 46 (7): 1- 11. |
| WANG Zening, LI Wenzhong, LI Donghui, et al. Construction of the hierarchical autonomous power balance model for software-defined new power systems[J]. Integrated Intelligent Energy, 2024, 46 (7): 1- 11. | |
| 10 | 郁海彬, 张煜晨, 刘扬洋, 等. 碳交易机制下多主体虚拟电厂参与电力市场的优化调度竞标策略[J]. 发电技术, 2023, 44 (5): 634- 644. |
| YU Haibin, ZHANG Yuchen, LIU Yangyang, et al. Optimal dispatching bidding strategy of multi-agent virtual power plant participating in electricity market under carbon trading mechanism[J]. Power Generation Technology, 2023, 44 (5): 634- 644. | |
| 11 | 袁泉, 李豹, 王巍, 等. 交直流互联电网的跨省输电功率可行域分析[J]. 浙江电力, 2024, 43 (6): 13- 21. |
| YUAN Quan, LI Bao, WANG Wei, et al. Feasible domain analysis of interprovincial transmission power in AC/DC interconnected power grids[J]. Zhejiang Electric Power, 2024, 43 (6): 13- 21. | |
| 12 | 宋懿洋, 赵德洁, 王剑晓, 等. 基于可行域投影的多区域电力市场交易模型与算法研究[J]. 电网技术, 2024, 48 (1): 91- 102. |
| SONG Yiyang, ZHAO Dejie, WANG Jianxiao, et al. Multi-regional electricity market trading model and algorithm based on feasible region projection[J]. Power System Technology, 2024, 48 (1): 91- 102. | |
| 13 | 曾丹, 谢开, 庞博, 等. 中国特色、全国统一的电力市场关键问题研究(3): 省间省内电力市场协调运行的交易出清模型[J]. 电网技术, 2020, 44 (8): 2809- 2819. |
| ZENG Dan, XIE Kai, PANG Bo, et al. Key issues of national unified electricity market with Chinese characteristics(3): transaction clearing models and algorithms adapting to the coordinated operation of provincial electricity markets[J]. Power System Technology, 2020, 44 (8): 2809- 2819. | |
| 14 | 石剑涛, 郭烨, 孙宏斌, 等. 备用市场机制研究与实践综述[J]. 中国电机工程学报, 2021, 41 (1): 123- 134, 403. |
| SHI Jintao, GUO Ye, SUN Hongbin, et al. Review of research and practice on reserve market[J]. Proceedings of the CSEE, 2021, 41 (1): 123- 134, 403. | |
| 15 | 李云达. 考虑备用共享的含风电区域电力市场日前出清模型研究[D]. 北京: 华北电力大学, 2021. |
| LI Yunda. Research on the day-ahead clearing model of regional electricity market including wind power generation considering reserve sharing[D]. Beijing: North China Electric Power University, 2021. | |
| 16 | 蔡钦钦, 徐英, 仪忠凯, 等. 考虑备用共享的区域与省级备用市场统一出清方法[J]. 电力系统自动化, 2025, 49 (10): 176- 184. |
| CAI Qinqin, XU Ying, YI Zhongkai, et al. Unified clearing method for regional and provincial reserve markets considering reserve sharing[J]. Automation of Electric Power Systems, 2025, 49 (10): 176- 184. | |
| 17 | 许凌, 张希鹏, 曹益奇, 等. 考虑备用互济的省间现货电能与备用耦合出清模型[J]. 中国电力, 2023, 56 (9): 48- 56. |
| XU Ling, ZHANG Xipeng, CAO Yiqi, et al. Clearing model for inter-provincial spot electricity and reserve coupling considering reserve sharing[J]. Electric Power, 2023, 56 (9): 48- 56. | |
| 18 | 车阿大, 李芯怡, 郑本荣. 区块链技术采纳成本分摊机制与供应链协调研究[J]. 系统工程理论与实践, 2024, 44 (2): 579- 596. |
| CHE Ada, LI Xinyi, ZHENG Benrong. Study on cost-sharing mechanism of blockchain technology adoption and supply chain coordination[J]. Systems Engineering-Theory & Practice, 2024, 44 (2): 579- 596. | |
| 19 | 张燕, 乔松博, 徐奇锋, 等. 基于纳什议价理论的分布式绿色电力交易优化分析[J]. 中国电力, 2022, 55 (12): 168- 178. |
| ZHANG Yan, QIAO Songbo, XU Qifeng, et al. Analysis of distributed green power transaction optimization based on Nash bargaining theory[J]. Electric Power, 2022, 55 (12): 168- 178. | |
| 20 | 吴晗, 欧阳森, 梁炜焜. 计及储能循环寿命的柔性配电网优化运行及效益均衡策略[J]. 电力系统自动化, 2023, 47 (17): 99- 109. |
| WU Han, OUYANG Sen, LIANG Weikun. Optimal operation and benefit balance strategy for flexible distribution network considering cycle life of energy storage[J]. Automation of Electric Power Systems, 2023, 47 (17): 99- 109. | |
| 21 | 周华锋, 胡亚平, 聂涌泉, 等. 区域互联电网电能量与备用辅助服务联合优化模型研究[J]. 电网技术, 2020, 44 (3): 991- 1001. |
| ZHOU Huafeng, HU Yaping, NIE Yongquan, et al. Co-optimization model of energy and reserve auxiliary service for regional interconnected power grid[J]. Power System Technology, 2020, 44 (3): 991- 1001. | |
| 22 | 刘政, 雷少锋, 王清亮, 等. 考虑备用共享的区域电力现货市场出清模型[J]. 电力建设, 2021, 42 (11): 63- 71. |
| LIU Zheng, LEI Shaofeng, WANG Qingliang, et al. Clearing model of regional electricity spot market considering reserve sharing[J]. Electric Power Construction, 2021, 42 (11): 63- 71. | |
| 23 | 张潮, 谢珣, 顾卫祥, 等. 考虑特高压直流输电影响的省间电力现货市场协调交易方法[J]. 浙江电力, 2024, 43 (5): 83- 90. |
| ZHANG Chao, XIE Xun, GU Weixiang, et al. A coordinated trading method for the inter-provincial electricity spot market considering the impact of UHVDC transmission systems[J]. Zhejiang Electric Power, 2024, 43 (5): 83- 90. | |
| 24 | 王家豪, 马恒瑞, 王波, 等. 面向综合能源系统的辅助服务市场与多类型市场耦合关系分析[J]. 综合智慧能源, 2023, 45 (10): 82- 92. |
| WANG Jiahao, MA Hengrui, WANG Bo, et al. Analysis on the coupling between the auxiliary service market and multiple types of markets for integrated energy systems[J]. Integrated Intelligent Energy, 2023, 45 (10): 82- 92. | |
| 25 | 王进, 张粒子, 丛野, 等. 应用图论建模输电网的电力现货市场出清模型[J]. 中国电机工程学报, 2024, 44 (9): 3429- 3440. |
| WANG Jin, ZHANG Lizi, CONG Ye, et al. A clearing model of electricity spot market based on graph theory to modeling transmission network[J]. Proceedings of the CSEE, 2024, 44 (9): 3429- 3440. | |
| 26 | 李晓刚, 杨立兵, 吴敏, 等. 省级现货市场出清结果对区域同步电网潮流越限的影响[J]. 电力建设, 2022, 43 (6): 34- 42. |
| LI Xiaogang, YANG Libing, WU Min, et al. Impact of provincial spot market clearing results on the power flow violation of regional synchronous grid[J]. Electric Power Construction, 2022, 43 (6): 34- 42. | |
| 27 | 段佳南, 谢俊, 赵心怡, 等. 基于改进Shapley值法的风-光-水-储多主体互补发电系统合作增益分配策略[J]. 电力自动化设备, 2024, 44 (3): 22- 30. |
| DUAN Jianan, XIE Jun, ZHAO Xinyi, et al. Cooperative synergistic benefit allocation strategy of wind-solar-hydro-energy storage multi-stakeholder complementary generation system based on improved Shapley value method[J]. Electric Power Automation Equipment, 2024, 44 (3): 22- 30. | |
| 28 |
ALONSO PEDRERO R, PISCIELLA P, CRESPO DEL GRANADO P. Fair investment strategies in large energy communities: a scalable Shapley value approach[J]. Energy, 2024, 295, 131033.
|
| 29 | 方圣哲, 陈思捷, 秦瑜遥, 等. 面向区域电力市场的联合出清红利再分配机制和共识算法[J/OL]. 上海交通大学学报, 1–25. (2025-01-08). https://link.cnki.net/doi/10.16183/j.cnki.jsjtu.2024.364. |
| FANG Shengzhe, CHEN Sijie, QIN Yuyao, et al. Dividend redistribution mechanism and consensus algorithm for joint clearing in regional power markets[J/OL]. Journal of Shanghai Jiao Tong University, 1–25. (2025-01-08). https://link.cnki.net/doi/10.16183/j.cnki.jsjtu.2024.364. | |
| 30 | 周欣, 陈顺, 谭洪, 等. 考虑电能量-备用-氢能耦合市场环境的加氢站优化运行方法[J]. 浙江电力, 2025, 44 (4): 28- 38. |
| ZHOU Xin, CHEN Shun, TAN Hong, et al. An optimal operation method for hydrogen refueling stations considering the electric energy-reserve-hydrogen coupling market environment[J]. Zhejiang Electric Power, 2025, 44 (4): 28- 38. | |
| 31 | 王元元, 刘航航, 司君诚, 等. 电能量-调频联合市场中储能电站的参与策略分析[J]. 山东电力技术, 2024, 51 (10): 55- 66. |
| WANG Yuanyuan, LIU Hanghang, SI Juncheng, et al. Analysis on the strategies of energy storage stations participating in the electricity energy-regulation joint market[J]. Shandong Electric Power, 2024, 51 (10): 55- 66. | |
| 32 | 杨彪, 李佳蓉, 魏子轲. 美国分布式能源发展对我国的启示[J]. 中国电力企业管理, 2024, (25): 94- 96. |
| 33 | 何方波, 周庆庆, 张寓涵, 等. 考虑多类型主体的电能量与调峰辅助服务联合出清模型[J]. 电网与清洁能源, 2024, 40 (7): 48- 55. |
| HE Fangbo, ZHOU Qingqing, ZHANG Yuhan, et al. The joint peak regulation-electricity clearing model considering multiple types of subjects[J]. Power System and Clean Energy, 2024, 40 (7): 48- 55. | |
| 34 | 崔校瑞, 邹鹏, 殷柯奕, 等. 备用与现货电能量市场模型衔接机制研究[J]. 广东电力, 2024, 37 (4): 90- 97. |
| CUI Xiaorui, ZOU Peng, YIN Keyi, et al. Research on interconnection mechanism between reserve and spot power markets[J]. Guangdong Electric Power, 2024, 37 (4): 90- 97. |
| [1] | 林毅, 林威, 吴威, 江岳文, 林阿竹. 电化学储能和抽水蓄能电站参与多市场联合运行价值分析[J]. 中国电力, 2023, 56(7): 175-185. |
| [2] | 张乔榆, 张兰, 肖云鹏, 戴晓娟, 赖晓文. 南方(以广东起步)电力备用市场设计[J]. 中国电力, 2020, 53(9): 28-37. |
| 阅读次数 | ||||||
|
全文 |
|
|||||
|
摘要 |
|
|||||


AI小编