中国电力 ›› 2026, Vol. 59 ›› Issue (3): 142-155.DOI: 10.11930/j.issn.1004-9649.202507006

• 新型电网 • 上一篇    下一篇

基于多时间尺度故障过程分区的DFIG参数分层递进式辨识策略

王宇(), 王彤(), 王潇桐   

  1. 新能源电力系统全国重点实验室(华北电力大学),北京 102206
  • 收稿日期:2025-07-03 修回日期:2026-01-11 发布日期:2026-03-16 出版日期:2026-03-28
  • 作者简介:
    王宇(2002),男,硕士研究生,从事新能源电力系统稳定分析与控制研究,E-mail:ywang2142023@163.com
    王彤(1985),女,通信作者,教授,博士生导师,从事新能源电力系统稳定分析与控制研究,E-mail:hdwangtong@126.com
  • 基金资助:
    国家自然科学基金资助项目(52277096)。

Hierarchical progressive identification strategy for DFIG parameters based on multi-timescale fault process partitioning

WANG Yu(), WANG Tong(), WANG Xiaotong   

  1. State Key Laboratory of Alternate Electrical Power System With Renewable Energy Sources (North China Electric Power University), Beijing 102206, China
  • Received:2025-07-03 Revised:2026-01-11 Online:2026-03-16 Published:2026-03-28
  • Supported by:
    This work is supported by National Natural Science Foundation of China (No.52277096).

摘要:

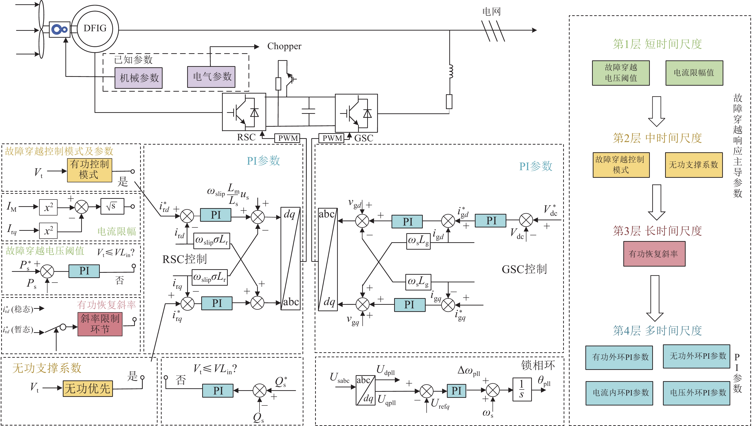
针对多工况下双馈风电机组黑盒模型参数辨识问题,提出基于多时间尺度故障过程分区的分层递进式参数辨识策略。首先,基于黑盒模型动态响应特性确定了模型结构及待辨识参数。其次,通过摄动理论量化分析了不同时间尺度参数灵敏度,依据不同阶段主导参数响应特性建立了层次化递进式辨识方法。然后,通过不同层级参数响应差异化特性,利用差分进化方法实现了多参数自适应辨识。最后,建立了适用不同厂家不同型号的白盒模型参数辨识方法,结果表明:所提出的分层递进式辨识策略对不同工况和型号的具有适用性和鲁棒性,与传统参数辨识方法相比,所提辨识方法具有更好的快速性和准确性。

关键词: 双馈风力发电机, 分层递进式辨识策略, 电磁暂态模型, 差分进化法, 轨迹灵敏度

Abstract:

To address the parameter identification problem of black-box models for doubly-fed induction generator (DFIG) wind turbines under multiple operating conditions, this paper proposes a hierarchical progressive parameter identification strategy based on the partitioning of multi-timescale fault process. Firstly, the model structure and parameters to be identified are determined according to the dynamic response characteristics of the black-box model. Subsequently, the sensitivity of parameters across different time scales is quantitatively analyzed using perturbation theory, and a hierarchical progressive identification method is established according to the dominant parameter response characteristics in different operational stages. Furthermore, by leveraging the differential response characteristics of parameters across hierarchical levels, the differential evolution method is adopted to realize adaptive identification of multiple parameters. Finally, a white-box model parameter identification method applicable to various manufacturers and models is developed. Comparative results show that the proposed hierarchical progressive identification strategy has good applicability and robustness under different operating conditions and for different models. Additionally, comparisons results with traditional parameter identification methods also demonstrate that the proposed approach exhibits superior rapidity and accuracy.

Key words: doubly-fed induction generator, hierarchical progressive identification strategy, electromagnetic transient model, differential evolution algorithm, trajectory sensitivity


AI


AI小编
您好!我是《中国电力》AI小编,有什么可以帮您的吗?